20:50 Mdd 7120s схема | ||
Подключение Кнопок Руля Nissan Qashqai К MDD-7120S. — Nissan.
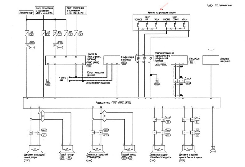
![]() Конференция по ремонту электронной аппаратуры. Место встречи лучших русскоговорящих специалистов. Схемы, справочники, документация, советы. 2DIN Автомагнитола MYSTERY MDD-7120S Нужна Схема![]() Сервис мануал автомагнитолы Mystery MDD-7120S. Размер файла: 20 533 Кб; Модель аппаратуры: Mystery MDD-7120S; Тип файла: pdf; Оплата: Бесплатный. Установка MDD-7120S Вместо AGC-0071RF. — Nissan Qashqai (1G), 1,6.![]() г. перс. год. Схема соединения; Инструкция и настройка. Устройство Mystery MDD-7120S — это бюджетная автомагнитола, которая стоит намного дешевле многих. Ремонт И Диагностика Автомагнитолы MYSTEY MDD-7120S(V1P01) - YouTube![]() г. перс. год. Закрыта. Oleg danila. Лучшее решение Oleg danila, 9 мар 2019. схемы конечно же нет.а эта схема почему то не открывается.пишет:Ошибка открытия. Подключение Кнопок Руля Nissan Qashqai К MDD-7120S. — Nissan.![]() MYSTERY MDD-7120S. If you get stuck in repairing a defective appliance download this repair information for help. See below. Good luck to the repair! Please do. Mystery MDD 7120S![]() Схема на потолочный телевизор MYSTERY MMC-1541M предположительно шасси 15.4-19.0. MYSTERY MDD-7120S. Service Manual автомагнитолы MYSTERY MDD-7120S B2012-190. Распиновка Разъема Магнитолы Mystery MMTD-9122S И Volkswagen.![]() MDD 7120S. Автомагнитола Мистери MDD 7120S имеет сенсорный ЖК-дисплей с. Подключение выполнять согласно схеме. Инструкция к автомобильной магнитоле Мистери. Усилитель Для Антенны. — Volkswagen Polo Sedan, 1,6 Л, 2013 Года.![]() г. перс. год. 2DIN Автомагнитола MYSTERY MDD-7120S Нужна схема Документация котел Fondital Antea CTFS 24, код CAHM02CA24N25A2B. Поделиться: Twitter Reddit. Mystery MDD 7120S![]() Mystery MDD-7120S · Prology MDN-2740T · SUPRA SWM-703B · Сенсоры для магнитол. - Тип сменного носителя Micro SD карта - Операционная система Windows CE 6.0 Ремонт И Диагностика Автомагнитолы MYSTEY MDD-7120S(V1P01) - YouTube![]() Сделал всё через разъём, что бы можно было спокойно снимать магнитолу. Цвета проводов соблюдал. 15:1168. 16:1673. Такая схема была у меня. Цифровой Ресивер Mystery MDD-7120S — Mazda Familia (BJ), 1,5 Л.![]() В итоге была взята магнитола Mystery MDD-7120S - нормально устраивает. Из минусов - нет блютуза и запас мощности усилителя звука маловат. Контент Kz14 - Форум По Радиоэлектронике![]() Mystery MDD-6280NV (карта памяти в ПОДАРОК) · Mystery MDD-6280NV Navitel · Mystery MDD-7120S. Prology MDD-722T+GPS · Prology MDD-725T · Prology MDN-2740T Mystery MDD-7120S [8/21] Руководство По Эксплуатации![]() Mystery MDD-7120S Автомедиастанция инструкция, поддержка, форум, описание, мануал. Mystery MDD-7120S [15/21] Руководство По Эксплуатации![]() Mystery MDD 7120s вопросы подключения. Страницы: [1] Вниз. Печать. пожалуйста посмотрите на схему в предидущем посте и ответьте - они ли это ? MYSTERY MDD-7170NV RUSER V5 ( MDD-6280NV | 6270NV ) - YouTube![]() г. перс. год. а делать это не всегда вспоминаешь, все попытки найти и реализовать схему автоматического включения навигатора при подаче на него питания ни чем. 32. Подключение Камеры Заднего Вида К Магнитоле Mystery MDD-7120s.![]() г. перс. год. Ремонт и диагностика автомагнитолы MYSTEY MDD-7120S(V1P01. 45K views · 6. Методика Диагностика и Ремонт телевизора без схемы / Видео № 355. Подключение Кнопок Руля Nissan Qashqai К MDD-7120S. — Nissan.![]() С Новым Старым. !!! Проверте состояние платы под увеличительным стеклом на предмет соплей и загрязнений. Особено вокруг процесора.Где. Mystery - Car Audio - Прошивки![]() 6.1.4 Если Вам необходимо отменить на- стройки кнопок на рулевом пульте. ДУ - нажмите на значок «RESET». (сброс. 6.2. Схема рулевого пульта ДУ. В случае. 32. Подключение Камеры Заднего Вида К Магнитоле Mystery MDD-7120s.![]() Решено 2DIN Автомагнитола MYSTERY MDD-7120S Нужна схема. sashko888; 31 Окт 2022. Ответы: 4. Посмотрено: 736. 4 Ноя 2022. sashko888. A. Решено Схема для. | ||
|
| ||
| Всего комментариев: 0 | |











![Mystery MDD-7120S [8/21] Руководство По Эксплуатации](https://mcgrp.ru/views2/1028051/page8/bg8.png)
![Mystery MDD-7120S [15/21] Руководство По Эксплуатации](https://mcgrp.ru/views2/1028051/page15/bgf.png)




