14:22 Jsk4210 022 схема | ||
Honeywell DMB01.1 Placat | PDF
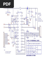
Нужна схема БП JSK4210-022 531Z-094210-00. Или подскажите номиналы резисторов R30, R51 и стабилитрона ZD2. disel 33. Передовик. Сообщения: 1315. Honeywell DMB01.1 Placat | PDFjsk4210-022. Николай Омск. 16.4K subscribers. hyundai h-lcd2306 не включается. схема · Как восстановить свойства резины в домашних условиях · Сабвуфер купить. HITACHI L32N03A, ERISSON 32LS16, Power JSK4210-022 - Схемы БП LCD.Схема Блока Питания Jsk4210-022 На Телевизор Erisson 32Ls16. in Дайте схему! Posted March 4, 2016. Если вопрос актуален,могу выслать на Ваш. 5823 A3m20b 0P00 | PDFВ модели 32LS16 используется блок питания JSK4210-022 с применением узла PFC (Power Factor Correction) - активного фильтра высших гармоник потребляемого тока. LCD ERISSON 32LS16 БП Номинал Стабилитрона ZD2![]() схему я нашел а вот нет маркировки в поиске нашел что там стоял D2 FSB10U60 шасси БП JSK4210-022. У вас нет доступа для просмотра вложений в. K-4L-OM1 - MP3389 Solution For 31.5 Inches LED Panel-LED Driver.Shematic OTL PDF. Hà Sơn. Santak 3CK. Santak 3CK. JSK4210 022. guante. 5823 A3m20b 0P00. 5823 A3m20b. HITACHI L32N03A, ERISSON 32LS16, Power JSK4210-022 - Схемы БП LCD.![]() Электрическая принципиальная схема FUBAG IR 160-180-200.pdf. andrei913. JSK4210-022. JSK4210-022. JSK4210 022, Erisson 32LS16 Не Включается - YouTube![]() 17 янв. 2017 г. hyundai h-lcd2306 не включается, ремонт блока питания jsk4210-022 · Comments24. LCD ERISSON 32LS16 БП Номинал Стабилитрона ZD2![]() г. Схемы БП LCD, PDP TV · Активность · Главная · Загрузки · Схемы БП LCD, PDP. Specification Power Supply ERISSON 32LS16 JSK4210-022B. MainBoard. Jsk4210-022b Repair Operation | PDF: JSK4210-022. PS-ON 3. +5VSB CON4 +24V/5A. PS-ON 2. +5V +5V/5A +12V/2A 1 2 3 4. 5. Power Supply 168P-L3L025-W0 схема.pdf. Hyundai H-Lcd2306 Не Включается, Ремонт Блока Питания Jsk4210-022.![]() Модуль питания JSK4210-022 выполнен с применением схемы коррекции коэффициента мощности (PFC - Power Factor Correction) в целях устранения кратных гармоник. ERISSON 32LS16. Ремонт, Схема, Сервис![]() Схемы БП LCD, PDP TV · Активность · Главная · Загрузки · Схемы БП LCD, PDP TV; HITACHI L32N03A, ERISSON 32LS16, power JSK4210-022. Правила обмена и скачивания с. Нужна Схема БП ТВ Erisson 32LS16![]() 12 июн. 2022 г. Блок питания JSK4210-022 Rev 1.4 47131.220.0.0118305 для Hyundai H-LCD3206 Состав: UK3919, L6599D, L6562D, LM393, KHB9D0N50F, FTA04N65. Power. K-4L-OM1 - MP3389 Solution For 31.5 Inches LED Panel-LED Driver.13 окт. 2013 г. NEC FE991SB · jsk4210-022 diagram · ускоритель педали газа · СХЕМЫ ПОДКЛЮЧЕНИЯ СИГНАЛИЗАЦИИ RANGER SHADOW 150 · 266ft clamp meter. Hyundai H-Lcd2306 Не Включается, Ремонт Блока Питания Jsk4210-022.![]() Схемы телевизоров Прошивки телевизоров Схемы мониторов Прошивки мониторов Схемы ноутбуков DataSheet Найти файл. Блок питания , JSK4210-022 , JSK4210-022 rev. Hyundai H-Lcd2306 Не Включается, Ремонт Блока Питания Jsk4210-022.![]() Схемы нет. LCD TV › Разное по LCD ТВ | ∞ 4399 |⇓ 1 | Â Владимир_1 | ✓ Все Участники | ✉ (1) · Erisson JSK4210 022B RE. Схема блока питания JSK4210 022B RE. Нужна Схема БП ТВ Erisson 32LS16![]() JDSK4210-022b Repair guide. jsk4210-022b Repair guide (Erisson 32LS16 | Hyundai H-LCD2306 | Hyundai H-LCD3206 | Hitachi L32N03A. LCD TV › ERISSON | ∞ 2474. Cvmv26l B V30 Schematic Diagram | PDFJSK4210 022. guante. Fa Tnp4g469. Fa Tnp4g469. masava03. Электрическая. JSK4210 022, Erisson 32LS16 Не Включается - YouTube![]() JSK4210 022. guante. Fa Tnp4g469. Fa Tnp4g469. masava03. Электрическая. Honeywell DMB01.1 Placat | PDFERISSON 32LS16 (Chassis 5800-A8M61A-02) Power Supply (PSU): JSK4210-022. Схема блока питания. | ||
|
| ||
| Всего комментариев: 0 | |










