20:35 Dps 298cp схема | ||
DPS-298CP (Schematic Diagram) | Скачать Файл Бесплатно
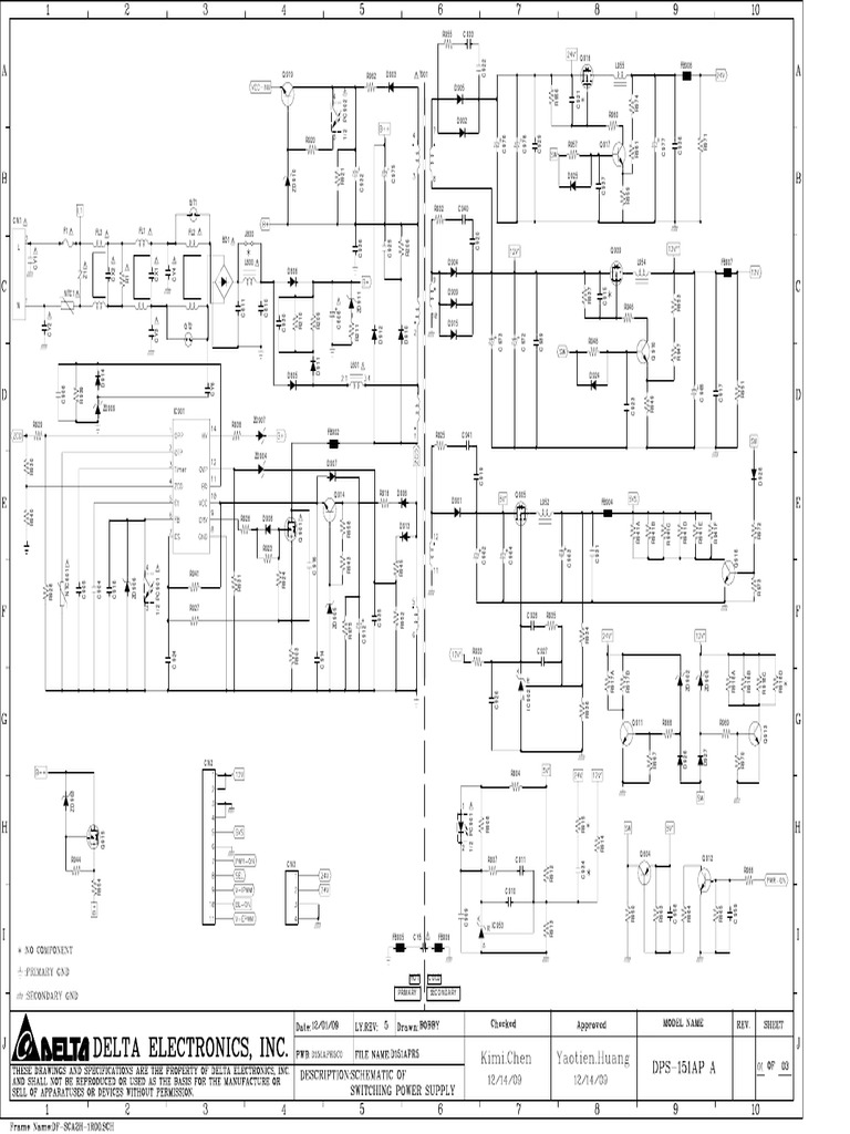
7 мар. 2019 г. Наличие схемы: У меня есть схема PDF. Состав аппарата. Марка и модель. ( „Delta“ DPS-298CP-A ) Проверил блок питания, я заменил все четыре. DELTA DPS-298CP-2A PSU SCH Service Manual Download, Schematics.![]() 800 руб. Есть. DPS-98EP A 2950298106, 2 750 руб. Уточняйте. DUNTKC857WE, 1 200 руб. Есть. DUNTKD283WE QPWBFD283WJN2. Блок Питания DPS-298CP-A Телевизора Philips 37PFL9604H/12 (ID.![]() Part Number, Description, Manufacture, PDF. FP6298, Low-Noise 4.5A Step-Up Current Mode PWM Converter, Manufacture Feeling Technology, FP6298 pdf. Delta DPS-298CP Schematic![]() 13 июн. 2017 г. DPS-298CP PSU. DPS-298CP PSU. Descrição: (Description. PSU Electrical Schematic. Por (By) : Ahtoh. Categoria:(Category. LCD TV POWER SUPPLY. Delta | PDFIf you get stuck in repairing a defective appliance download this repair information for help. See below. Good luck to the repair! Please do not offer the. Блок Питания DPS-298CP-A Телевизора Philips 37PFL9604H/12 (ID.![]() г. DPS-298CP-2.а если есть схема плиз даите скачать , бп перед глазами я так понимаю напряжения снимается на катушку высоковольтную с. Delta Dps-298cp-2a Psu SCH | PDFView and Download Delta DPS-298CP instruction manual online. Куплю Схему Питания Dps298cp 2a![]() г. I noticed that some of the DPS-298CP-xx boards don't have thermistor. Badcaps - Electronics Repair Forum & Schematic Search. All times are. Strange Clicking Noise From Philips 37PFL9604 TV - Badcaps![]() DPS-298CP (Schematic Diagram. Схема блока питания из серии DPS-298CP Файл в формате PDF Не мог найти схему - эта подошла более чем. Оценок: 0. Скачивания: 59. Блок Питания DPS-298CP-A Телевизора Philips 37PFL9604H/12 (ID.![]() Wie heeft voor mij een schema van deze voeding, zodat ik onder andere het typenummer van IC901 kan achterhalen. Wie kent deze voedingen beter? Dps-298cp-2+A+Delta+Psu (1. Rare And Ancient Equipment DELTA.![]() Electronics service manual exchange : schematics,datasheets,diagrams,repairs,schema,service manuals,eeprom bins,pcb as well as service mode entry. Shp3206a 101H | PDFService Manuals, User Guides, Schematic Diagrams or docs for. Rare and Ancient Equipment DELTA Power Supply DPS-298CP-2 A dps-298cp-2+a+delta+psu (1. PHILIPS 42PFL7864. Ремонт, Схема, Сервис![]() Схемы, справочники, документация, советы мастеров. Из просмотра даташита на Блок питания DPS-298CP, у меня появились догадки, что нужно сделать. TV Philips 47PFL7404H.60 Аналог DDA003A Для Б.П. DPS-298CP-2![]() tv-servis-tv@mail.ru. Перейти на главную · Главная · Адрес и схема проезда · Контакты · Цены · Скупка телевизоров · Как починить пульт? Заявка на ремонт. DPS-298CP PSU, Service Manual, Repair Schematics![]() delta_dps-298cp-2a_psu_sch - View presentation slides online. Controlador Motor. Блок Питания DPS-298CP-A Телевизора Philips 37PFL9604H/12 (ID.![]() Скачать: Service manual and schematic diagram 42PFL7674H/60 Chassis Q548.1E LA (Сервис-мануал. Схема блока питания DPS-298CP-2 DELTA schematic diagram. Philips 37PFL9604H / Delta DPS-298CP A Klicken - YouTube![]() Заказать Блок питания DPS-298CP-A телевизора Philips 37PFL9604H/12 (ID#1885312719) в Украине на маркетплейсе Prom. схемы, в связи с тем, что товар невозможно. DPS-298CP-2 A Delta PSU, Service Manual, Repair Schematics![]() Конференция по ремонту электронной аппаратуры. Место встречи лучших русскоговорящих специалистов. Схемы, справочники, документация, советы Alpengeist'S TV (And Other Stuff) Repair Blog: Philips 42PFL8654.На модульке вроде по Vcc (uc3854n) никаких завязок, а напрямую на контакт 10. Нажмите на это поле, чтобы приблизить изображение. Изображение Ну. Блок Питания DPS-298CP-A Телевизора Philips 37PFL9604H/12 (ID.![]() 26 окт. 2016 г. Power Supply DPS-298CP-2 Philips схема. | ||
|
| ||
| Всего комментариев: 0 | |














