20:48 Asus x51l схема | ||
Z92J | PDF | Digital Technology | Computer Engineering
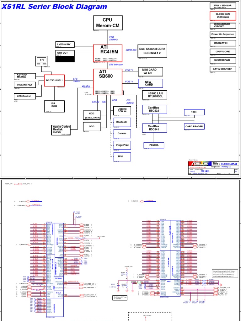
22 окт. 2019 г. Как видно "чипсет" Intel немного оторвался от основной платы. Для исправления попытаемся его припаять обратно. Схема сборки аналогична схеме. Схема Asus X51L ― Manual-Shop.Ru![]() Проверьте не пробит ли по затвору первый полевик. Если исправен, то смотреть в сторону ИМС чаджера, т.к. он ими управляет. Похожую схему. Asus X51L Main BD. R2.0 - Rev 2.2 - Схема Материнской Платы.![]() ASUS X51RL Rev.2.00 Schematic Diagram - Free download as PDF File.pdf), Text File.txt) or view presentation slides online. ASUS X51L Rev:2.0M Schematic Diagram — Скачать Бесплатно![]() Asus K40AA K50AA · ASUS K42JR · ASUS M50vm · ASUS N10 · Asus X51L · Asus K53 Compal QBL60 LA-7552P · asus F80L · asus k40ab · asus k40in · DELL vostro a860. Asus X51rl Rev 2.0 SCH | PDF | Office Equipment | Computer HardwareASUS | ∞ 464 |⇓ 0 | Â kotnatan | ✓ Пост. Участники. ASUS X51L (60-NQNMB1000-A01P) REV 2.2 - BoardView.ASC. Схема расположения компонентов ASUS X51L (60. ASUS W7J Schematic Diagrams | PDF | Computer Hardware | Physical.Схема клавиатуры ноутбук Acer · Список форумов » Ноутбуки и КПК · Следующая. Asus X51L не работает от сети и не включается без батареи! DV5. Acer Swift 3 SF315-52 SF315-52G Pegatron ER5EA R2.1 PDF | PDF.Asus X51L Main BD. R2.0 - rev 2.2 - Схема материнской платы ноутбука - скачать на сайте AllDrawings. Схемы На Ноутбуки Asus![]() 14 окт. 2020 г. Большая подборка схем (восновном материнских плат) к ноутбукам Asus в формате PDF и BoardView. Скачивание всех схем и сервисных мануалов с. ASUS X51L Rev:2.0M Schematic Diagram - AliSaler.Com![]() Выгодная цена на батарею для ASUS X51H, X51L, X51R, X51RL, T12, T12C, T12Er, T12Fg, T12Jg, T12Mg, T12Ug (A32-X51, A32-T12J) (10.8V 4400mAh. в. ASUS X51RL Rev:2.0 Schematic Diagram - AliSaler.Com![]() 20 февр. 2011 г. Схемы питания выдают дежурные 3В, 5В, 12В, схема. думаю это микруха по распределению питания Мой модель Asus X51L и схему не могу на него. ASUS X51L Rev:2.0M Schematic Diagram - AliSaler.Com![]() Материнская плата Asus X51L - Схемы. Скачать бесплатно. pdf/motherboard/asus/asus_x51l_60-nqnmb1000-a01p_r2.2_boardview.zip Материнская плата Asus X51L. Схема Asus X51L ― Manual-Shop.Ru![]() схема asus x51lсяоми луганск лнр · МузМедиа Инфо. 1,6K подписчиков. Подписаться. Доработка мультимедийной системы Sven Ihoo mt 5.1r. Сегодня будем дорабатывать. Схема Asus X51L ― Manual-Shop.Ru![]() Покупайте аккумулятор (батарею) для ноутбука ASUS X51L по самой выгодной цене! Скидки на все модели 20%! Оригинальные и совместимые аккумуляторы. Asus T12C (X51C) Motherboard Schematic Diagram | PDF | Computer.ASUS X51L Rev:2.0M Schematic Diagram. ASUS X51L Rev:2.0M schematic diagram.We are believing in reviving the technology and making minimum electronics waste, as. ASUS W7J Schematic Diagrams | PDF | Computer Hardware | Physical.ноутбук asus X51L перестал включаться на кнопку пуск вообще никакой реакции. схему и разберемся что к чему. В общем мульт очень редко выходит из строя. ASUS X51RL Rev.2.00 Schematic Diagram | PDF | Computer Hardware.10 сент. 2016 г. В данной заметке я рассмотрю неисправности, появляющиеся до запуска программы BI0S, на примере ноутбука ASUS (схема прилагается. asus x51l не. ASUS X51L Rev:2.0M Schematic Diagram - AliSaler.Com![]() - 1шт., переносной ноутбук Asus X51L Intel Core 2 DUO T5450 со звуковой. Схема расположения антенн, Кабина самолета А 320 200, Система ACARS и CPDLC. Инструкция По Разборке Ноутбука ASUS X51L![]() Схема расположения компонентов ASUS X51L (60-NQNMB1000-A01P) REV 2.2. Схема ASUS X51L Main BD. REV 2.0. Ноутбуки › платформа ASUS | ∞ 1188 |⇓ 1. ASUS X51RL Rev.2.00 Schematic Diagram | PDF | Computer Hardware.есть,на ЕС контроллере есть реакция на кнопку. Есть схема, но без расположения элементов тяжело искать сигналы. Прошу, если можно, поделиться. Схема | PDF | Office Equipment | Computer HardwareСкачать схему платы ASUS X51L Rev:2.0M Schematic Diagram. На нашем сайте можно скачать руководства по ремонту и интегральные схемы бесплатно и без. | ||
|
| ||
| Всего комментариев: 0 | |










